鼎祥|Smooth专注于高精度步进电机和定制装配已有30年经验
| 产品特性 | 接线图 / 相序图 | |
| 步角距 | 1.8° ±5% |
|
| 允许温度 | 80℃ max
|
|
| 环境温度 | -20℃~+50℃(无结冰)
|
|
| 绝缘等级 | B
|
|
| 结缘耐压 | AC 500V 1 Min
|
|
| 绝缘电阻 | 100MΩ Min 500V DC
|
|
| 保护等级 | IP40
|
|
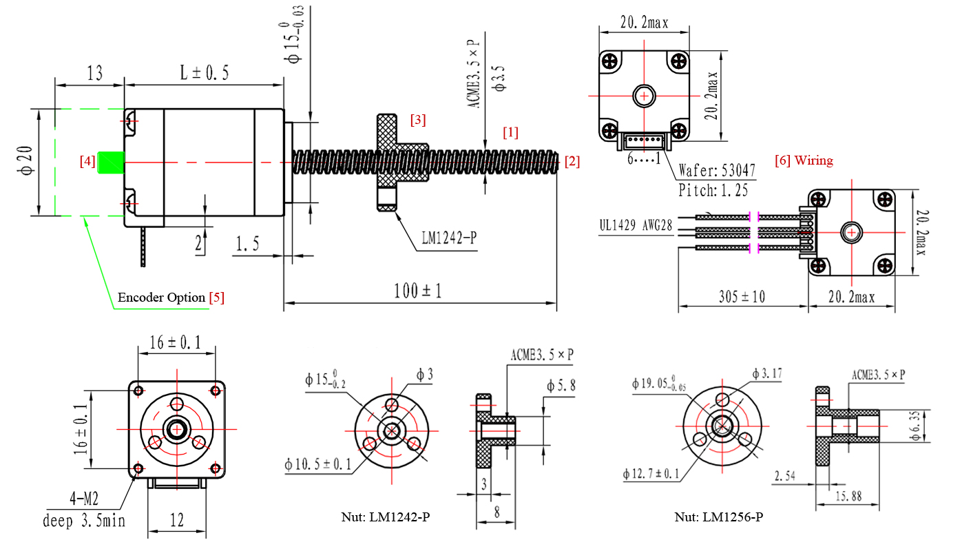
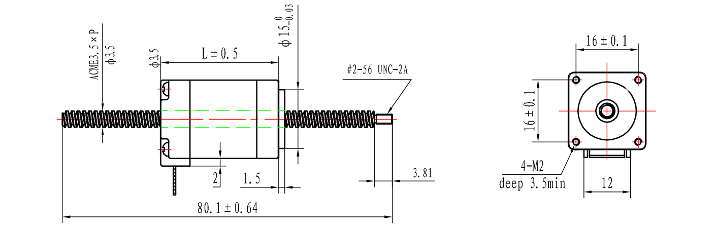
▶ 常配丝杆参数
|
丝杠外径 mm
|
Φ3.5 | |||||
| 导程 mm | 0.6096
|
1.0 | 1.2192 | 2.0 | 2.4384 | 4.0 |
| 导程代码 | A
|
C
|
D
|
H
|
I
|
M
|
▶ 接受指定线材和连接器
▶ 手轮和编码器可选
|
电机型号
|
电压 V | 电流 mA | 导程 mm | 步长 mm | 推力 @100pps,整步 | 电阻 Ω | 电感 mH |
机身 L mm
|
| 8HY010Y-100N-PA
|
4.3 |
0.6 |
0.6096
|
0.003048 | 3.8Kg
|
7.2 |
2.6 |
30 |
| 8HY010Y-100N-PC | 1.0 | 0.005 | 2.6Kg | |||||
| 8HY010Y-100N-PD
|
1.2192 | 0.006096 | 2.2Kg | |||||
| 8HY010Y-100N-PM | 4.0 | 0.02 | 0.8Kg | |||||
| 8HY105Y-100N-PA |
5.8 |
0.8 |
0.6096 | 0.003048 | 4.6Kg |
7.2 |
2.7 |
43 |
| 8HY105Y-100N-PC | 1.0 | 0.005 | 3.1Kg | |||||
| 8HY105Y-100N-PD | 1.2192 | 0.006096 | 2.7Kg | |||||
| 8HY105Y-100N-PM | 4.0 | 0.02 | 1.3Kg |
Chopper Driver Full Step/Sec
|
电机型号
|
电压 V | 电流 mA | 导程 mm | 步长 mm | 推力 @100pps,整步 | 电阻 Ω | 电感 mH |
机身 L mm
|
| 8HY010Y-T1-PA |
4.3 |
0.6 |
0.6096
|
0.003048 | 3.8Kg
|
7.2 |
2.6 |
30 |
| 8HY010Y-T1-PC | 1.0 | 0.005 | 2.6Kg | |||||
| 8HY010Y-T1-PD | 1.2192 | 0.006096 | 2.2Kg | |||||
| 8HY010Y-T1-PM | 4.0 | 0.02 | 0.8Kg | |||||
| 8HY105Y-T1-PA |
5.8 |
0.8 |
0.6096 | 0.003048 | 4.6Kg |
7.2 |
2.7 |
43 |
| 8HY105Y-T1-PC | 1.0 | 0.005 | 3.1Kg | |||||
| 8HY105Y-T1-PD | 1.2192 | 0.006096 | 2.7Kg | |||||
| 8HY105Y-T1-PM | 4.0 | 0.02 | 1.3Kg |
Chopper Driver Full Step/Sec
|
电机型号
|
电压 V | 电流 mA | 导程 mm | 步长 mm | 推力 @100pps,整步 | 电阻 Ω | 电感 mH |
机身 L mm
|
| 8HY010Y-D**-PA |
4.3 |
0.6 |
0.6096
|
0.003048 | 3.8Kg
|
7.2 |
2.6 |
30 |
| 8HY010Y-D**-PC | 1.0 | 0.005 | 2.6Kg | |||||
| 8HY010Y-D**-PD | 1.2192 | 0.006096 | 2.2Kg | |||||
| 8HY010Y-D**-PM | 4.0 | 0.02 | 0.8Kg |
Chopper Driver Full Step/Sec
*如果你找不到你所需要的产品,可联系我们定制.
给我们 留言
我们在各种运动应用和行业的丰富经验,加上我们对运动控制中使用的组件的深入了解,将使我们成为您下一个运动控制项目的宝贵资源.