鼎祥|Smooth专注于高精度步进电机和定制装配已有30年经验
| 产品特性 | 接线图 | |
| 步角距 |
1.2° / 1.8° ± 5%
|
|
| 允许温度 | 80℃ max
|
|
| 环境温度 | -20℃~+50℃(无结冰)
|
|
| 绝缘等级 | B
|
|
| 绝缘耐压 | AC 500V 1 Min
|
|
| 绝缘电阻 | 100MΩ Min 500V DC
|
|
| 保护等级 | IP40 (部分最高 IP65)
|
|
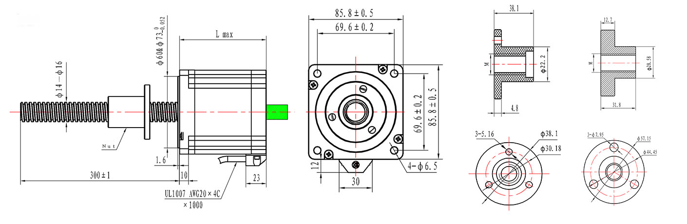
▶ 常配丝杆参数
|
丝杆外径 mm
|
Φ14(Tr) | Φ15.88(ACME) | |||||||||||
| 导程 mm | 3
|
6
|
9 | 12
|
16
|
18 | 20
|
2.54
|
3.175
|
5.08
|
12.7
|
25.4
|
38.1
|
| 导程代码 | K
|
Q
|
T1
|
U
|
X3
|
X2
|
Y
|
J
|
L
|
P
|
W
|
Z
|
Z1
|
|
丝杆外径 mm
|
Φ10(Tr) | Φ11(Tr) | ||||
| 导程 mm | 2
|
4 | 8
|
16
|
18
|
25
|
| 导程代码 | H
|
M
|
S
|
X3
|
X2
|
Y1
|
▶ 接受指定线材和连接器
▶ 手轮和编码器可选
|
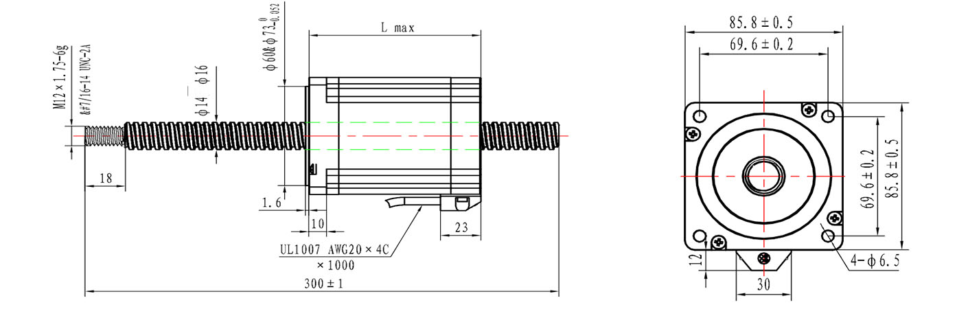
电机型号
|
步角距 | 电压 V | 电流 mA | 导程 mm | 步长 mm | 推力 @100pps,整步 | 电阻 Ω | 电感 mH |
机身 L mm
|
| 34HD505-300N-PK |
1.8°
|
1.8
|
4.0 |
3
|
0.015
|
268Kg |
0.45
|
2.6
|
76
|
| 34HD505-300N-PO | 6
|
0.03 | 180Kg
|
||||||
| 34HD505-300N-PT1 | 9
|
0.045 | 120Kg | ||||||
| 34HD505-300N-PU | 12 | 0.06 | 92Kg | ||||||
| 34HD128-300N-PJ |
1.8° |
2.22
|
6.0 |
2.54
|
0.0127 | 282Kg |
0.37
|
4.5
|
98
|
| 34HD128-300N-PP | 5.08
|
0.025 | 211Kg | ||||||
| 34HD128-300N-PW | 12.7
|
0.0635
|
106Kg | ||||||
| 34HD128-300N-PZ
|
25.4
|
0.127 | 43kg | ||||||
| 34HD209-300N-PH |
1.8° |
3.15
|
4.5 |
2
|
0.01 | 340Kg |
0.7 |
5.4 |
128 |
| 34HD209-300N-PM | 4
|
0.02 | 283Kg | ||||||
| 34HD209-300N-PS | 8
|
0.04 | 178Kg | ||||||
| 34HD209-300N-PX3 | 16
|
0.08
|
106Kg |
Chopper Driver Full Step/Sec
▶ Handle or Encoder is available
▶ Specified Connectors and Wires are available
|
电机型号
|
步角距 | 电压 V | 电流 mA | 导程 mm | 步长 mm | 推力 @100pps,整步 | 电阻 Ω | 电感 mH |
机身 L mm
|
| 34HD505-T300-PK |
1.8°
|
1.8
|
4.0 |
3
|
0.015
|
268Kg |
0.45
|
2.6
|
76
|
| 34HD505-T300-PQ | 6
|
0.03 | 180Kg
|
||||||
| 34HD505-T300-PT1 | 9
|
0.045 | 120Kg | ||||||
| 34HD505-T300-PU | 12 | 0.06 | 92Kg | ||||||
| 34HD128-T300-PJ |
1.8° |
2.22
|
6.0 |
2.54
|
0.0127 | 282Kg |
0.37
|
4.5
|
98
|
| 34HD128-T300-PP | 5.08
|
0.025 | 211Kg | ||||||
| 34HD128-T300-PW | 12.7
|
0.0635
|
106Kg | ||||||
| 34HD128-T300-PZ | 25.4
|
0.127 | 43kg |
Chopper Driver Full Step/Sec
|
行程 H
|
尺寸 “A”
|
尺寸“B”
|
机身“L”
|
| | | | | | | | | | |
行程 H | 尺寸 “A” | 尺寸 “A” | 机身“L” |
| 12.7
|
31.1
|
—— |
76
|
12.7
|
31.1
|
——
|
98
|
|
| 25.4
|
43.8
|
6.35
|
25.4
|
43.8
|
——
|
|||
| 38.1
|
56.5
|
19.0
|
25.4
|
56.5
|
4.2
|
|||
| 50.8
|
69.2
|
31.8
|
31.8
|
69.2
|
16.9
|
|||
| 63.5
|
81.9
|
44.4
|
38.1
|
81.9
|
29.6
|
▶ Handle or Encoder is available
▶ Specified Connectors and Wires are available
|
电机型号
|
步角距 | 电压 V | 电流 mA | 导程 mm | 步长 mm | 推力 @100pps,整步 | 电阻 Ω | 电感 mH |
机身 L mm
|
| 34HD505-D**-PK |
1.8°
|
1.8
|
4.0 |
3
|
0.015
|
268Kg |
0.45
|
2.6
|
76
|
| 34HD505-D**-PQ | 6
|
0.03 | 180Kg
|
||||||
| 34HD505-D**-PT1 | 9
|
0.045 | 120Kg | ||||||
| 34HD505-D**-PU | 12 | 0.06 | 92Kg | ||||||
| 34HD128-D**-PJ |
1.8° |
2.22
|
6.0 |
2.54
|
0.0127 | 282Kg |
0.37
|
4.5
|
98
|
| 34HD128-D**-PP | 5.08
|
0.025 | 211Kg | ||||||
| 34HD128-D**-PW | 12.7
|
0.0635
|
106Kg | ||||||
| 34HD128-D**-PZ | 25.4
|
0.127 | 43kg |
Chopper Driver Full Step/Sec
* Customization is available, Please contact us if you can't find what you are looking for.
给我们 留言
我们在各种运动应用和行业的丰富经验,加上我们对运动控制中使用的组件的深入了解,将使我们成为您下一个运动控制项目的宝贵资源.