鼎祥|Smooth专注于高精度步进电机和定制装配已有30年经验
| 产品特性 | 接线图 | |
| 步角距 |
1.8° ± 5% / 0.9° ± 5%
|
|
| 允许温度 | 80℃ max
|
|
| 环境温度 | -20℃~+50℃(无结冰)
|
|
| 绝缘等级 | B
|
|
| 绝缘耐压 | AC 500V 1 Min
|
|
| 绝缘电阻 | 100MΩ Min 500V DC
|
|
| 保护等级 | IP40 (部分最高 IP65)
|
|
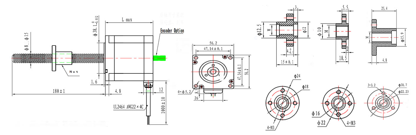
▶ 常配丝杆参数
|
丝杆外径 mm
|
Φ8(Tr) | Φ6.35(ACME) | ||||||||||||
| 导程 mm | 1
|
2
|
4
|
8
|
12
|
14
|
20
|
0.635
|
1.27
|
1.5875
|
2.54
|
4.2332
|
5.08
|
25.4
|
| 导程代码 | C
|
H
|
M
|
S
|
U
|
X
|
Y
|
B
|
E
|
G
|
J
|
N
|
P
|
Z
|
|
丝杆外径 mm
|
Φ10(Tr) | Φ11(Tr) | ||||
| 导程 mm | 2
|
4 | 10 | 20
|
2
|
4
|
| 导程代码 | H
|
M
|
T1
|
Y
|
H
|
M
|
▶ 接受指定线材和连接器
▶ 手轮和编码器可选
|
电机型号
|
步角距 | 电压 V | 电流 mA | 导程 mm | 步长 mm | 推力 @100pps,整步 | 电阻 Ω | 电感 mH |
机身 L mm
|
| 23HD124Y-180N-PE
|
1.8° |
5 |
1.3 |
1.27 | 0.00635
|
138Kg |
3.8 |
10.5 |
45 |
| 23HD124Y-180N-PJ | 2.54 | 0.0127 | 88Kg
|
||||||
| 23HD124Y-180N-PN | 4.2332 | 0.02116 | 45Kg | ||||||
| 23HD124Y-180N-PP | 5.08 | 0.0254 | 33Kg | ||||||
| 23HD604Y-180N-PH |
3.3 |
3.0 |
2
|
0.01 | 118Kg |
1.1 |
3.2 |
56 |
|
| 23HD604Y-180N-PM | 4
|
0.02 | 55Kg | ||||||
| 23HD604Y-180N-PS | 8
|
0.04
|
35Kg | ||||||
| 23HD604Y-180N-PU | 12
|
0.06 | 22kg | ||||||
| 23HD604Y-180N-PY | 20
|
0.1
|
13Kg | ||||||
| 23HD807Y-180N-PH |
6 |
3.0 |
2
|
0.01 | 152Kg |
2 |
8 |
76 |
|
| 23HD807Y-180N-PM | 4
|
0.02 | 87Kg | ||||||
| 23HD807Y-180N-PS | 8
|
0.04 | 48Kg | ||||||
| 23HD807Y-180N-PU | 12
|
0.06 | 32Kg | ||||||
| 23HD807Y-180N-PY | 20
|
0.1
|
19Kg |
Chopper Driver Full Step/Sec
|
电机型号
|
步角距 | 电压 V | 电流 mA | 导程 mm | 步长 mm | 推力 @100pps,整步 | 电阻 Ω | 电感 mH |
机身 L mm
|
| 23HD124Y-T280-PE |
1.8° |
5 |
1.3 |
1.27 | 0.00635
|
138Kg |
3.8 |
10.5 |
45 |
| 23HD124Y-T280-PJ | 2.54 | 0.0127 | 88Kg
|
||||||
| 23HD124Y-T280-PN | 4.2332 | 0.02116 | 45Kg | ||||||
| 23HD124Y-T280-PP | 5.08 | 0.0254 | 33Kg | ||||||
| 23HD124Y-T280-PY |
3.3 |
3.0 |
2
|
0.01 | 118Kg |
1.1 |
3.2 |
56 |
|
| 23HD604Y-T280-PM | 4
|
0.02 | 55Kg | ||||||
| 23HD604Y-T280-PS | 8
|
0.04
|
35Kg | ||||||
| 23HD604Y-T280-PU | 12
|
0.06 | 22kg | ||||||
| 23HD604Y-T280-PY | 20
|
0.1
|
13Kg | ||||||
| 23HD807Y-T280-PH |
6 |
3.0 |
2
|
0.01 | 152Kg |
2 |
8 |
76 |
|
| 23HD807Y-T280-PM | 4
|
0.02 | 87Kg | ||||||
| 23HD807Y-T280-PS | 8
|
0.04 | 48Kg | ||||||
| 23HD807Y-T280-PU | 12
|
0.06 | 32Kg | ||||||
| 23HD807Y-T280-PY | 20
|
0.1
|
19Kg |
Chopper Driver Full Step/Sec
|
行程 H
|
尺寸 “A”
|
尺寸“B”
|
机身“L”
|
| | | | | | | | | | | | | | |
行程 H | 尺寸 “A” | 尺寸 “A” | 机身“L” |
| 12.7
|
25.7
|
1.5
|
45
|
12.7
|
25.7
|
——
|
56
|
|
| 19.05
|
32.0
|
7.9
|
19.05
|
32.0
|
3.2
|
|||
| 25.4
|
38.4
|
14.2
|
25.4
|
38.4
|
9.6
|
|||
| 31.8
|
44.7
|
20.6
|
31.8
|
44.7
|
16
|
|||
| 38.1
|
51.1
|
26.9
|
38.1
|
51.1
|
22.4
|
|||
| 50.8
|
63.8
|
39.4
|
50.8
|
63.8
|
35.1
|
|||
| 63.5
|
76.5 | 52.3 | 63.5
|
76.5
|
47.8
|
|
电机型号
|
步角距 | 电压 V | 电流 mA | 导程 mm | 步长 mm | 推力 @100pps,整步 | 电阻 Ω | 电感 mH |
机身 L mm
|
| 23HD124Y-D**-PE |
1.8° |
5 |
1.3 |
1.27 | 0.00635
|
138Kg |
3.8 |
10.5 |
45 |
| 23HD124Y-D**-PJ | 2.54 | 0.0127 | 88Kg
|
||||||
| 23HD124Y-D**-PN | 4.2332 | 0.02116 | 45Kg | ||||||
| 23HD124Y-D**-PP | 5.08 | 0.0254 | 33Kg | ||||||
| 23HD124Y-D**-PY | 20
|
0.1
|
7.5KG
|
||||||
| 23HD604Y-D**-PE |
3.3 |
3.0 |
2
|
0.01 | 118Kg |
1.1 |
3.2 |
56 |
|
| 23HD604Y-D**-PJ | 4
|
0.02 | 55Kg | ||||||
| 23HD604Y-D**-PN | 8
|
0.04
|
35Kg | ||||||
| 23HD604Y-D**-PP | 12
|
0.06 | 22kg | ||||||
| 23HD604Y-D**-PY | 20
|
0.1
|
13Kg |
Chopper Driver Full Step/Sec
* Customization is available, Please contact us if you can't find what you are looking for.
给我们 留言
我们在各种运动应用和行业的丰富经验,加上我们对运动控制中使用的组件的深入了解,将使我们成为您下一个运动控制项目的宝贵资源.