鼎祥|Smooth专注于高精度步进电机和定制装配已有30年经验
| 产品特性 | 接线图 | |
| 步距角 |
1.8° ± 5% / 0.9° ± 5%
|
|
| 允许温度 | 80℃ max
|
|
| 环境温度 | -20℃~+50℃(无结冰)
|
|
| 绝缘等级 | B
|
|
| 绝缘耐压 | AC 500V 1 Min
|
|
| 绝缘电阻 | 100MΩ Min 500V DC
|
|
| 保护等级 | IP40 (部分最高 IP65)
|
|
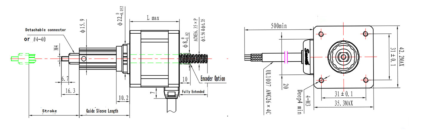
▶ 常配丝杆参数
|
丝杆外径 mm
|
Φ5.56(ACME) | Φ6.35(ACME) | |||||||||
| 导程 mm | 1.2192
|
2.4384 | 4.8768 | 9.7536 | 0.635 | 0.79375 | 1.27 | 1.5875 | 2 | 2.4384
|
3.175
|
| 导程代码 | D
|
I
|
O
|
T
|
B
|
B1
|
E
|
G
|
H
|
I
|
L
|
|
丝杆外径 mm
|
Φ6.35(ACME) | Φ6.5(Tr) | Φ8(Tr) | |||||||||
| 导程 mm | 4.8768
|
6.35 | 12.7 | 3 | 6 | 1 | 2 | 4
|
8
|
12
|
14
|
20
|
| 导程代码 | I
|
L
|
O
|
K
|
Q
|
C
|
H
|
M
|
S
|
U
|
X
|
Y
|
▶ 接受指定线材和连接器
▶ 手轮和编码器可选
|
电机型号
|
步角距 | 电压 V | 电流 A | 导程 mm | 步长 mm | 推力 @100pps,整步 | 电阻 Ω | 电感 mH |
机身 L mm
|
| 14HA105-102N-PH |
0.9° |
5
|
0.62
|
0.635 |
0.001588 | 35Kg |
8
|
17
|
34 |
| 17HA113-150N-PE | 1.27 | 0.003175 | 27Kg | ||||||
| 17HA113-150N-PR | 6.35 | 0.015875 | 12Kg | ||||||
| 17HA113-150N-PY | 12.7 | 0.03175 | 6.8Kg | ||||||
| 17HD070H-150N-PB |
1.8° |
2.33
|
1.5
|
0.635 | 0.003175 | 45Kg |
1.56 |
2.4 |
34 |
| 17HD070H-150N-PD | 1.2192 | 0.006096 | 30Kg | ||||||
| 17HD070H-150N-PI | 2.4384 | 0.012192 | 22Kg | ||||||
| 17HD070H-150N-PO | 4.8768 | 0.024384 | 14Kg | ||||||
| 17HD070H-150N-PT | 9.7536 | 0.048768 | 8.5Kg | ||||||
| 17HD401H-150N-PH |
12
|
0.4
|
2 | 0.01 | 38Kg |
30
|
4.5 |
48 |
|
| 17HD401H-150N-PM | 4 | 0.02 | 28Kg | ||||||
| 17HD401H-150N-PS | 8 | 0.04 | 20Kg | ||||||
| 17HD401H-150N-PU | 12 | 0.06 | 12Kg | ||||||
| 17HD401H-150N-PX | 14 | 0.07 | 9Kg |
Chopper Driver Full Step/Sec
|
电机型号
|
步角距 | 电压 V | 电流 A | 导程 mm | 步长 mm | 推力 @100pps,整步 | 电阻 Ω | 电感 mH |
机身 L mm
|
| 17HA113-T150-PB |
0.9° |
5
|
0.62
|
0.635 |
0.001588 | 35Kg |
8
|
17
|
34 |
| 17HA113-T150-PE | 1.27 | 0.003175 | 27Kg | ||||||
| 17HA113-T150-PR | 6.35 | 0.015875 | 12Kg | ||||||
| 17HA113-T150-PY | 12.7 | 0.03175 | 6.8Kg | ||||||
| 17HD070H-T150-PB |
1.8° |
2.33
|
1.5
|
0.635 | 0.003175 | 45Kg |
1.56 |
2.4 |
34 |
| 17HD070H-T150-PD | 1.2192 | 0.006096 | 30Kg | ||||||
| 17HD070H-T150-PI | 2.4384 | 0.012192 | 22Kg | ||||||
| 17HD070H-T150-PO | 4.8768 | 0.024384 | 14Kg | ||||||
| 17HD070H-T150-PT | 9.7536 | 0.048768 | 8.5Kg | ||||||
| 17HD401H-T150-PH |
12
|
0.4
|
2 | 0.01 | 38Kg |
30
|
4.5 |
48 |
|
| 17HD401H-T150-PM | 4 | 0.02 | 28Kg | ||||||
| 17HD401H-T150-PS | 8 | 0.04 | 20Kg | ||||||
| 17HD401H-T150-PU | 12 | 0.06 | 12Kg | ||||||
| 17HD401H-T150-PX | 14 | 0.07 | 9Kg |
Chopper Driver Full Step/Sec
|
行程 H
|
尺寸 “A”
|
尺寸“B”
|
机身“L”
|
| | | | | | | | | | | | | | |
行程 H | 尺寸 “A” | 尺寸 “A” | Length“L” |
| 12.7
|
19.8
|
4.1
|
34 |
12.7
|
19.8
|
——
|
48 |
|
| 19.05
|
26.2
|
10.4
|
19.05
|
26.2
|
3.8
|
|||
| 25.4
|
32.5
|
16.8
|
25.4
|
32.5
|
10
|
|||
| 31.8
|
38.9
|
23.1
|
31.8
|
38.9
|
16
|
|||
| 38.1
|
44.8 |
29.4
|
38.1
|
44.8
|
22.4
|
|||
| 48.1
|
54.8
|
39.4
|
48.1
|
54.8
|
32.4
|
|||
| 63.5
|
70.6 | 54.9 | 63.5
|
70.6
|
48.3
|
|
电机型号
|
步角距 | 电压 V | 电流 A | 导程 mm | 步长 mm | 推力 @100pps,整步 | 电阻 Ω | 电感 mH |
机身 L mm
|
| 17HA113-D**-PB |
0.9° |
5
|
0.62
|
0.635 |
0.001588 | 35Kg |
8
|
17
|
34 |
| 17HA113-D**-PE | 1.27 | 0.003175 | 27Kg | ||||||
| 17HA113-D**-PR | 6.35 | 0.015875 | 12Kg | ||||||
| 17HA113-D**-PY | 12.7 | 0.03175 | 6.8Kg | ||||||
| 17HD070H-D**-PB |
1.8° |
2.33
|
1.5
|
0.635 | 0.003175 | 45Kg |
1.56 |
2.4 |
34 |
| 17HD070H-D**-PD | 1.2192 | 0.006096 | 30Kg | ||||||
| 17HD070H-D**-PI | 2.4384 | 0.012192 | 22Kg | ||||||
| 17HD070H-D**-PO | 4.8768 | 0.024384 | 14Kg | ||||||
| 17HD070H-D**-PT | 9.7536 | 0.048768 | 8.5Kg | ||||||
| 17HD401H-D**-PH |
12
|
0.4
|
2 | 0.01 | 38Kg |
30
|
4.5 |
48 |
|
| 17HD401H-D**-PM | 4 | 0.02 | 28Kg | ||||||
| 17HD401H-D**-PS | 8 | 0.04 | 20Kg | ||||||
| 17HD401H-D**-PU | 12 | 0.06 | 12Kg | ||||||
| 17HD401H-D**-PX | 14 | 0.07 | 9Kg |
Chopper Driver Full Step/Sec
* Customization is available, Please contact us if you can't find what you are looking for.
给我们 留言
我们在各种运动应用和行业的丰富经验,加上我们对运动控制中使用的组件的深入了解,将使我们成为您下一个运动控制项目的宝贵资源.