鼎祥|Smooth专注于高精度步进电机和定制装配已有30年经验
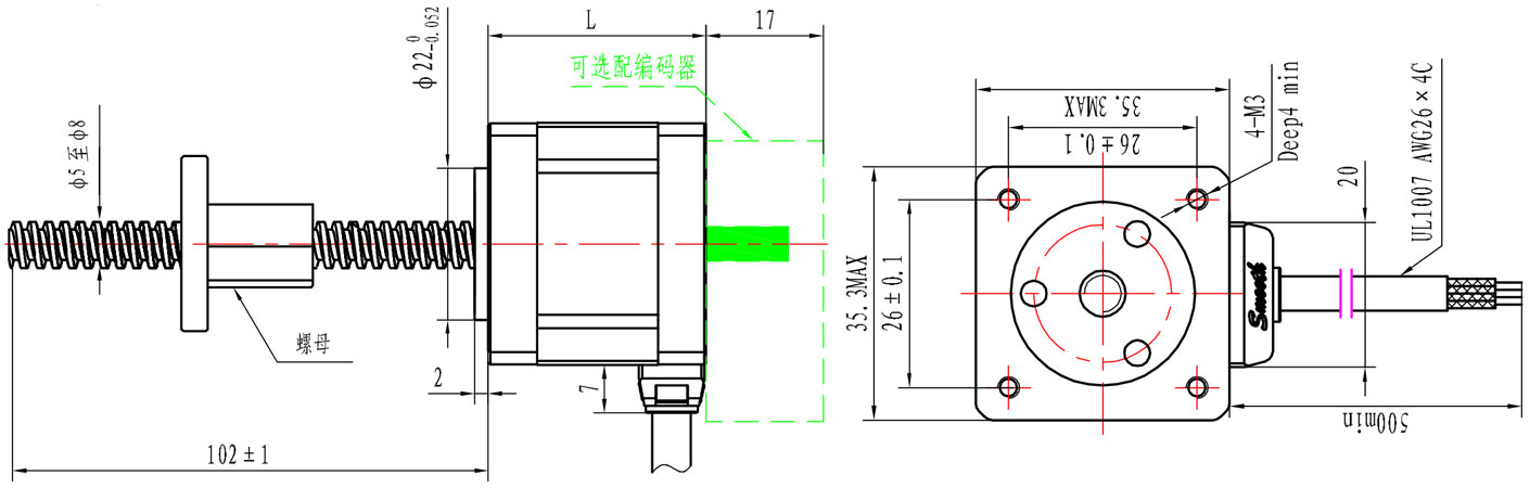
1、14H(35)系列梯形丝杆直线电机可以做成0.9°和1.8°两种步距角精度。
2、5mm、5.56mm、6.35mm、6.5mm、8mm多种丝杆外径选择,从0.635至25.4mm多种导程可选.
3、此系列电机最大推力可达27Kg,最高负载位移速度63mm/s。
4、电机可以装配旋转编码器,形成闭环反馈,装配手轮用于微调,断电刹车等。
>> 数据表
>> 螺母选型
>> 丝杠选型
>> 末端加工选项
>> 常见问题视频解答
>> 定制支持
| 产品特性 | 接线图 | |
| 步距角 |
1.8° ± 5% / 0.9° ± 5%
|
|
| 允许温度 | 80℃ max
|
|
| 环境温度; | -20℃~+50℃(无结冰)
|
|
| 绝缘等级 | B
|
|
| 绝缘耐压 | AC 500V 1 Min
|
|
| 结缘电阻 | 100MΩ Min 500V DC
|
|
| 保护等级 | IP40 (部分最高 IP65)
|
|
▶
|
丝杠外径 mm
|
Φ5(Tr) | Φ5.56(ACME) | Φ6.35(ACME) | |||||||||
| 导程 mm | 1
|
2
|
4
|
1.2192
|
2.4384 | 4.8768 | 9.7536 | 0.635 | 0.79375 | 1.27 | 1.5875 | 2 |
| 导程代码 | C
|
H
|
M
|
D
|
I
|
O
|
T
|
B
|
B1
|
E
|
G
|
H
|
|
丝杠外径 mm
|
Φ5(Tr) | Φ5.56(ACME) | Φ6.35(ACME) | |||||||||||
| 导程 mm | 2.4384
|
3.175 | 4.8768 | 6.35 | 12.7 | 3 | 6 | 1 | 2 | 4
|
8
|
12
|
14
|
20
|
| 导程代码 | I
|
L
|
O
|
R
|
Y
|
K
|
Q
|
C
|
H
|
M
|
S
|
U
|
X
|
Y
|
▶ 接受指定线材和连接器
▶ 手轮和编码器可选
|
电机型号
|
步角距 | 电压 V | 电流 mA | 导程 mm | 步长 mm | 推力 @100pps,整步 | 电阻 Ω | 电感 mH |
机身 L mm
|
| 14HA105-102N-PH |
0.9° |
12
|
0.48
|
2
|
0.005
|
18Kg |
25 |
30 |
30 |
| 14HA105-102N-PM | 4 | 0.01 | 10.2Kg | ||||||
| 14HA105-102N-PO | 4.8768 | 0.012192 | 6.8Kg | ||||||
| 14HA105-102N-PT | 9.7365 | 0.024384 | 3.5Kg | ||||||
| 14HY137-102N-PB |
1.8° |
3.8
|
1.0
|
0.635 | 0.003175 | 26Kg |
3.8 |
5.0 |
34 |
| 14HY137-102N-PD | 1.2192 | 0.006096 | 19Kg | ||||||
| 14HY137-102N-PI | 2.4384 | 0.012192 | 14Kg | ||||||
| 14HY137-102N-PO | 4.8768 | 0.024384 | 8Kg | ||||||
| 14HY137-102N-PT | 9.7536 | 0.048768 | 5Kg | ||||||
| 14HY901-102N-PB |
5.0 |
1.86 |
0.635 | 0.003175 | 42Kg |
2.7 |
4.5 |
45 |
|
| 14HY901-102N-PD | 1.2192 | 0.006096 | 28Kg | ||||||
| 14HY901-102N-PI | 2.4384 | 0.012192 | 20Kg | ||||||
| 14HY901-102N-PO | 4.8768 | 0.024384 | 14Kg | ||||||
| 14HY901-102N-PT | 9.7536 | 0.048768 | 9Kg |
Chopper Driver Full Step/Sec
|
电机型号
|
步角距 | 电压 V | 电流 mA | 导程 mm | 步长 mm | 推力 @100pps,整步 | 电阻 Ω | 电感 mH |
机身 L mm
|
| 14HA308-T102-PH
|
0.9° |
3.0 |
1.25 |
2
|
0.005
|
18.5Kg
|
2.4 |
3.8 |
34 |
| 14HA308-T102-PM | 4
|
0.01 | 11.6Kg | ||||||
| 14HA308-T102-PO | 4.8768 | 0.012192 | 7.6Kg | ||||||
| 14HA308-T102-PT | 9.7365 | 0.024384 | 3.8Kg | ||||||
| 14HY137-T102-PB |
1.8° |
3.8 |
1.0 |
0.0635 | 0.003175 | 26Kg |
3.8 |
5.0 |
34 |
| 14HY137-T102-PD | 1.2192 | 0.006096 | 19Kg | ||||||
| 14HY137-T102-PI | 2.4384 | 0.012192 | 14Kg | ||||||
| 14HY137-T102-PO | 4.8768 | 0.024384 | 8Kg | ||||||
| 14HY137-T102-PT | 9.7536 | 0.048768 | 5Kg | ||||||
| 14HY901-T102-PB |
5.0 |
1.86 |
0.0635 | 0.003175 | 42Kg |
2.7 |
4.5 |
45 |
|
| 14HY901-T102-PD | 1.2192 | 0.006096 | 28Kg | ||||||
| 14HY901-T102-PI | 2.4384 | 0.012192 | 20Kg | ||||||
| 14HY901-T102-PO | 4.8768 | 0.024384 | 14Kg | ||||||
| 14HY901-T102-PT | 9.7536 | 0.048768 | 9Kg |
Chopper Driver Full Step/Sec
|
行程 H
|
尺寸 “A”
|
尺寸“B”
|
机身“L”
|
| | | | | | | | | | | | |
行程 H | 尺寸 “A” | 尺寸 “A” | 机身“L” |
| 12.7
|
19.8
|
1.5
|
34 |
12.7
|
19.8
|
——
|
45 |
|
| 19.05
|
26.2
|
7.5
|
19.05
|
26.2
|
2.15
|
|||
| 25.4
|
32.5
|
14
|
25.4
|
32.5
|
8.5
|
|||
| 31.8
|
38.9
|
20.5
|
31.8
|
38.9
|
15
|
|||
| 38.1
|
44.8 |
26.8
|
38.1
|
44.8
|
21.3
|
|||
| 48.1
|
54.8
|
36.8
|
48.1
|
54.8
|
31.3
|
|
电机型号
|
步角距 | 电压 V | 电流 mA | 导程 mm | 步长 mm | 推力 @100pps,整步 | 电阻 Ω | 电感 mH |
机身 L mm
|
| 14HA308-D**-PH |
0.9° |
3.0 |
1.25 |
2
|
0.005
|
18.5Kg
|
2.4 |
3.8 |
34 |
| 14HA308-D**-PM | 4
|
0.01 | 11.6Kg | ||||||
| 14HA308-D**-PO | 4.8768 | 0.012192 | 7.6Kg | ||||||
| 14HA308-D**-PT | 9.7365 | 0.024384 | 3.8Kg | ||||||
| 14HY137-D**-PB |
1.8° |
3.8 |
1.0 |
0.0635 | 0.003175 | 26Kg |
3.8 |
5.0 |
34 |
| 14HY137-D**-PD | 1.2192 | 0.006096 | 19Kg | ||||||
| 14HY137-D**-PI | 2.4384 | 0.012192 | 14Kg | ||||||
| 14HY137-D**-PO | 4.8768 | 0.024384 | 8Kg | ||||||
| 14HY137-D**-PT | 9.7536 | 0.048768 | 5Kg | ||||||
| 14HY901-D**-PB |
5.0 |
1.86 |
0.0635 | 0.003175 | 42Kg |
2.7 |
4.5 |
45 |
|
| 14HY901-D**-PD | 1.2192 | 0.006096 | 28Kg | ||||||
| 14HY901-D**-PI | 2.4384 | 0.012192 | 20Kg | ||||||
| 14HY901-D**-PO | 4.8768 | 0.024384 | 14Kg | ||||||
| 14HY901-D**-PT | 9.7536 | 0.048768 | 9Kg |
Chopper Driver Full Step/Sec
* Customization is available, Please contact us if you can't find what you are looking for.
给我们 留言
我们在各种运动应用和行业的丰富经验,加上我们对运动控制中使用的组件的深入了解,将使我们成为您下一个运动控制项目的宝贵资源.