鼎祥|Smooth专注于高精度步进电机和定制装配已有30年经验
| 产品特性 | 接线图 /相序图 | |
| 步角距 | 1.8° ±5% |
|
| 允许温度 | 80℃ max
|
|
| 环境温度 | -20℃~+50℃(无结冰)
|
|
| 绝缘等级 | B
|
|
| 绝缘耐压 | AC 500V 1 Min
|
|
| 绝缘电阻 | 100MΩ Min 500V DC
|
|
| 保护等级 | IP40(部分最高IP65)
|
|
▶ 常配丝杆参数
|
丝杠外径 mm
|
Φ4.76(ACME) |
Φ5(Tr)
|
|||||
| 导程 mm | 0.635
|
1.27 | 2.54
|
5.08
|
1
|
2
|
4
|
| 导程代码 | B
|
E | J | P | C
|
H
|
M
|
▶ 接受指定线材和连接器
▶ 手轮和编码器可选
|
电机型号
|
电压 V | 电流 mA | 导程 mm | 步长 mm | 推力 @100pps,整步 | 电阻 Ω | 电感 mH |
机身 L mm
|
| 11HY105-100N-PB |
5 |
0.42 |
0.635 | 0.003175
|
8.2Kg |
11.9 |
5 |
33.5 |
| 11HY105-100N-PE | 1.27 | 0.00635 | 6.3Kg | |||||
| 11HY105-100N-PJ | 2.54 | 0.0127 | 3.0Kg | |||||
| 11HY105-100N-PM | 4 | 0.02 | 1.6Kg | |||||
| 11HY302-100N-PB |
5 |
0.75 |
0.635 | 0.003175 | 12.1Kg |
6.7 |
3 |
45 |
| 11HY302-100N-PE | 1.27 | 0.00635 | 9.2Kg | |||||
| 11HY302-100N-PJ | 2.54 | 0.0127 | 4.2Kg | |||||
| 11HY302-100N-PM | 4 | 0.02 | 2.2Kg | |||||
| 11HY401-100N-PB |
6.2 |
0.67 |
0.635 | 0.003175 | 14.6Kg |
9.2 |
4.2 |
51 |
| 11HY401-100N-PE | 1.27 | 0.00635 | 11.1Kg | |||||
| 11HY401-100N-PJ | 2.54 | 0.0127 | 5.3Kg | |||||
| 11HY401-100N-PM | 4 | 0.02 | 2.6Kg |
Chopper Driver Full Step/Sec
|
电机型号
|
电压 V | 电流 mA | 导程 mm | 步长 mm | 推力 @100pps,整步 | 电阻 Ω | 电感 mH |
机身 L mm
|
| 11HY105-T100-PB |
5
|
0.42 |
0.635 | 0.003048 | 8.2Kg |
11.9
|
5
|
33.5
|
| 11HY105-T100-PE | 1.27 | 0.005 | 6.3Kg | |||||
| 11HY105-T100-PJ | 2.54 | 0.006096 | 3.0Kg | |||||
| 11HY105-T100-PM | 4 | 0.02 | 1.6Kg | |||||
| 11HY302-T100-PB |
5 |
0.75
|
0.635 | 0.003048 | 12.1Kg |
6.7
|
3
|
45
|
| 11HY302-T100-PE | 1.27 | 0.005 | 9.2Kg | |||||
| 11HY302-T100-PJ | 2.54 | 0.006096 | 4.2Kg | |||||
| 11HY302-T100-PM | 4 | 0.02 | 2.2Kg |
Chopper Driver Full Step/Sec
|
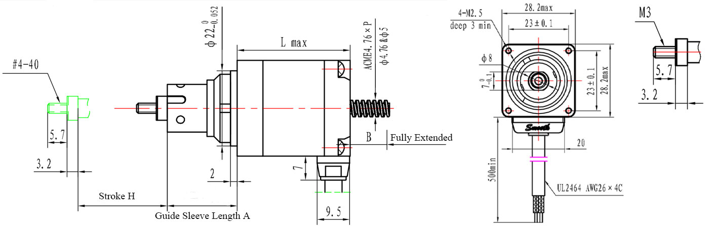
行程 H
|
尺寸 “A”
|
尺寸“B”
|
机身“L”
|
| | | | | | | | | | |
行程 H | 尺寸 “A” | 尺寸 “A” | 机身“L” |
| 12.7
|
20.65
|
1.5
|
33.5 |
12.7
|
14.7
|
——
|
45 |
|
| 19.05
|
21.05
|
7.8
|
19.05
|
21.05
|
——
|
|||
| 25.4
|
27.4
|
14.15
|
25.4
|
27.4
|
5.1
|
|||
| 31.75
|
33.75
|
20.5
|
31.75
|
33.75
|
11.45
|
|||
| 38.1
|
40.1 |
26.85
|
38.1
|
40.1
|
17.8
|
|
电机型号
|
电压 V | 电流 mA | 导程 mm | 步长 mm | 推力 @100pps,整步 | 电阻 Ω | 电感 mH |
机身 L mm
|
| 11HY105-D**-PB
|
5 |
0.42 |
0.635
|
0.003175
|
8.2Kg |
11.9 |
5 |
33.5 |
| 11HY105-D**-PE
|
1.27 | 0.00635 | 6.3Kg | |||||
| 11HY105-D**-PJ | 2.54 | 0.0127 | 3.0Kg | |||||
| 11HY105-D**-PM | 4
|
0.02 | 1.6Kg | |||||
| 11HY302-D**-PB |
5 |
0.75 |
0.635
|
0.003175 | 12.1Kg |
6.7 |
3 |
45 |
| 11HY302-D**-PE | 1.27 | 0.00635 | 9.2Kg | |||||
| 11HY302-D**-PJ | 2.54 | 0.0127 | 4.2Kg | |||||
| 11HY302-D**-PM | 4
|
0.02 | 2.2Kg |
Chopper Driver Full Step/Sec
* Customization is available, Please contact us if you can't find what you are looking for.
给我们 留言
我们在各种运动应用和行业的丰富经验,加上我们对运动控制中使用的组件的深入了解,将使我们成为您下一个运动控制项目的宝贵资源.